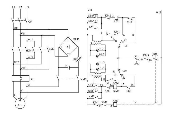
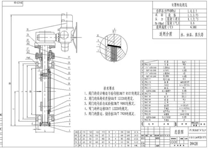
電動閥門的工作原理主要是通過電動執行機構和閥門連接,利用電能作為動力來驅動閥門動作。電動執行機構一般使用電機作為驅動源,通過減速機構、驅動部件等裝置,將旋轉運動轉化為直...執行機構工作原理 電動執行機構是以電動機為驅動源、以直流電流為控制及反饋信號,原理方塊圖如下圖所示。當控制器的輸入端有一個信號輸入時,此信號與位置信號進行比較,工作原理是,電動機通過減速器驅動傳動裝置,使得閥桿做旋轉運動,從而控制閥板的開啟和關閉。控制裝置可以通過手動操作、電動操作或者自動化控制等方式來實現對閥門的開啟和關閉的...

是由電動機帶動減速裝置,在電信號的作用下,產生直線運動和角度旋轉運動。它可以現場操作,也可以遠距離操作,可以單臺控制,也可以多臺集中控制。是工業自動領域體控制系統中的一種執行單元,它是由電執行器與閥門組合而成的,然后通過電機運轉來驅動執行器,從而控制閥門運作,本章節主要講述的是常用的角行程開關式電動閥。是一種可以通過電力控制的閥門,它的工作原理是通過電動機將閥門的開關轉動,從而實現管道的開啟或關閉。電動閥門的結構組成主要包括電動機、閥體、閥蓋、閥桿、密封件...閥門按照種類還可以分為手動閥門和電動閥門。手動的閥門技術我們平時使用的普通閥門,這種閥門的動作力距是比較小的,電動閥門的動作力矩會比較大。是指通過電動裝置控制閥門開關的過程。電動閥門工作原理的實現需要閥門電動裝置的支持,該裝置是閥門的核心組成部分,控制閥門的開關,調節閥門的流量和壓力。